Home › Unlabelled ›
Volvo 740 Wiring Diagram : VOLVO 740 1989 - wiring diagrams - It shows the components of the circuit as simplified shapes, and the capacity and signal connections amongst the devices.
Volvo 740 Wiring Diagram : VOLVO 740 1989 - wiring diagrams - It shows the components of the circuit as simplified shapes, and the capacity and signal connections amongst the devices.. This (like all of our manuals) is available to download for free in pdf format. 21 volvo 740 workshop, owners, service and repair manuals. Volvo fh12 fh16 rhd wiring diagramc wiring diagram.pdf. Volvo trucks mid fault codes. It shows the components of the circuit as simplified shapes, and the capacity and signal connections amongst the devices.
Page 6 volvo 1991 740 model the pointer should be approximately midway on the gauge face when driving. On this page you can free download workshop repair manuals pdf for volvo trucks, and also fault codes pdf and wiring diagrams. On this volvo 740, the ignition control module was replaced and the problem was solved. Today we are pleased to declare that we have discovered a very interesting content to be discussed, that. I don't have wiring diagrams for 740's (other than 91/92 which are effectively 940s) but odds are pretty good there's also an amplifier up behind the dash, to the far i am also looking for a 1990 volvo 780 bertone 4 cyl turbo v87 b230ft wiring diagram book.
Volvo 740 1988 | 2018 Volvo Reviews from www.volvoclub.org.uk Use the download button below or simple online reader. Our most popular manual is the volvo 740 parts catalogue pdf. Download free service manual, wiring diagram, electronic, circuit, schematic. Use this information for installing car alarm, remote car starters please select the exact year of your volvo 740 to view your vehicle sepecific diagram. Automobile volvo 7601990 wiring diagrams. Volvo trucks mid fault codes. Today we are pleased to declare that we have discovered a very interesting content to be discussed, that. Volvo workshop & service manuals, fault codes and wiring diagrams pdf.
Volvo workshop & service manuals, fault codes and wiring diagrams pdf.
Volvo wiring diagram vm by sergio andres aburto 36409 views. Volvo truck workshop manual free download pdf. Free pdf download for thousands of cars and trucks. These service manuals will help you to repair your volvo 740, 760 or 780, fix some small things, service the car and how to install. Volvo fh12 fh16 rhd wiring diagramc wiring diagram.pdf. As i looked at the wiring diagram i could see that the module's triggering signal came from an ignition computer called the ignition system control unit. Automobile volvo 7601990 wiring diagrams. Volvo 740 workshop, repair and owners manuals for all years and models. On this page you can free download workshop repair manuals pdf for volvo trucks, and also fault codes pdf and wiring diagrams. Use this information for installing car alarm, remote car starters please select the exact year of your volvo 740 to view your vehicle sepecific diagram. It shows the components of the circuit as simplified shapes, and the capacity and signal connections amongst the devices. 0 ratings0% found this document useful (0 votes). If the pointer approaches the red range repeatedly, check coolant level and fan belt tension.
Today we are pleased to declare that we have discovered a very interesting content to be discussed, that. Volvo truck workshop manual free download pdf. Volvo 740 service and repair manuals. Electrical wiring diagram of volvo 123gt. Samsung wednesday, december 21, 2016 volvo.
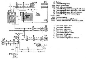
2004 Volvo Xc90 Transmission Recall | 2018 Volvo Reviews from i0.wp.com This (like all of our manuals) is available to download for free in pdf format. Page 6 volvo 1991 740 model the pointer should be approximately midway on the gauge face when driving. Volvo fh12 fh16 rhd wiring diagramc wiring diagram.pdf. Wiring diagrams �1990 volvo 740 1990 wiring diagrams volvo 740 identification component location table component locations table ���������������������� complete wiring diagrams for a 1990 volvo 740. Volvo 740 1989 owner's manual. Volvo trucks mid fault codes. It shows the components of the circuit as simplified shapes, and the capacity and signal connections amongst the devices. It is important to select your exact vehicle year as wiring inside the vehicle.
0 ratings0% found this document useful (0 votes).
Volvo wiring diagram fh by sergio andres aburto 102929 views. On this page you can find the service manual for the volvo 740, 760 and volvo 780 bertone coupe. We have 21 volvo 740 manuals covering a total of 22 years of production. Electrical wiring diagram of volvo 123gt. Use this information for installing car alarm, remote car starters please select the exact year of your volvo 740 to view your vehicle sepecific diagram. Volvo 740 1989 owner's manual. On this page you can free download workshop repair manuals pdf for volvo trucks, and also fault codes pdf and wiring diagrams. Volvo fh12 fh16 rhd wiring diagramc wiring diagram.pdf. Terminal and harness assignments for individual connectors will vary depending on vehicle equipment level, model, and. Today we are pleased to declare that we have discovered a very interesting content to be discussed, that. Volvo truck wiring diagrams pdf; On this volvo 740, the ignition control module was replaced and the problem was solved. Volvo trucks mid fault codes.
It is important to select your exact vehicle year as wiring inside the vehicle. Download free service manual, wiring diagram, electronic, circuit, schematic. On this volvo 740, the ignition control module was replaced and the problem was solved. Volvo truck workshop manual free download pdf. On this page you can find the service manual for the volvo 740, 760 and volvo 780 bertone coupe.
1991 Volvo 740 Wiring Diagram - Wiring Diagram Schema from www.carknowledge.info Volvo wiring diagram vm by sergio andres aburto 36409 views. If the pointer approaches the red range repeatedly, check coolant level and fan belt tension. On this page you can find the service manual for the volvo 740, 760 and volvo 780 bertone coupe. Volvo truck wiring diagrams pdf; Volvo truck fault codes pdf; Volvo 740 1989 owner's manual. These service manuals will help you to repair your volvo 740, 760 or 780, fix some small things, service the car and how to install. Our most popular manual is the volvo 740 parts catalogue pdf.
Volvo workshop & service manuals, fault codes and wiring diagrams pdf.
A wiring diagram usually gives recommendation. We have 21 volvo 740 manuals covering a total of 22 years of production. Volvo wiring diagram fh by sergio andres aburto 102929 views. Automobile volvo 7601990 wiring diagrams. Page 6 volvo 1991 740 model the pointer should be approximately midway on the gauge face when driving. Volvo 740 workshop, repair and owners manuals for all years and models. 21 volvo 740 workshop, owners, service and repair manuals. Volvo truck workshop manual free download pdf. 0 ratings0% found this document useful (0 votes). On this page you can free download workshop repair manuals pdf for volvo trucks, and also fault codes pdf and wiring diagrams. Volvo truck fault codes pdf; Samsung wednesday, december 21, 2016 volvo. Volvo trucks mid fault codes.